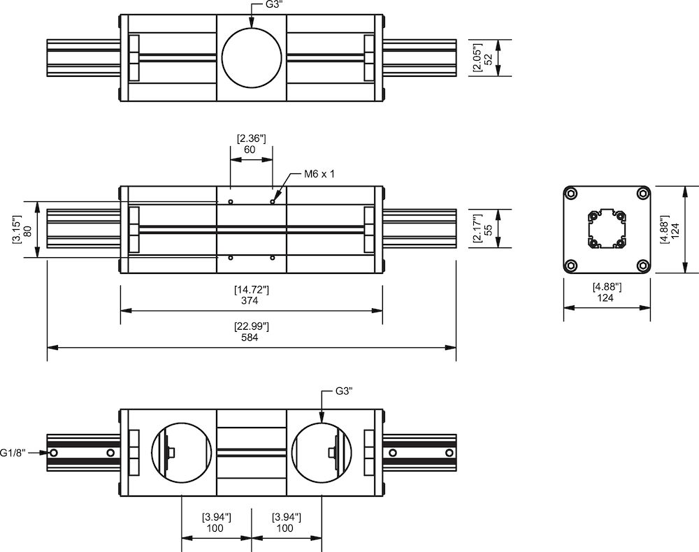
Piab Reverse valve for blowers and Large area grippers, 3 connections, G 3"
Kenos Reverse Valves (2x3/2), are valves for vacuum with pneumatic control 2x3/2 that are used in vacuum generation machines like side channel blower.
Overview
Features
- They have the function of suction, blow flow or neutral depending on the operation.
- They are made of anodized aluminium with POM-C seals.
- For optimal operation and increased lifetime of the blower in combination with a lot of Kenos® grippers.
- Material: Al
- Dimensions: 20.46 lb. (weight)
Need Help? Call an engineer at 1-802-880-3123
We're open 8:00 am to 5:30 pm ET