Piab Fitting M5 male, 10–15
A variety of fittings for suction cups.
- 01AC
Overview
Features
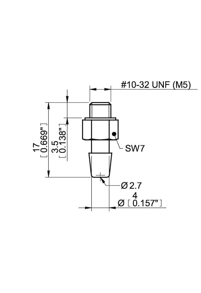
- Suits suction cups:B10-2, B15-2, B15MF, D15-2, F15, F15MF, U10, U15
- Material: CuZn;PA
- Temperature: -40 °F
- Dimensions: 0.01 lb. (weight)
- Fitting Size: M5 mm.
Need Help? Call an engineer at 1-802-880-3123
We're open Mo-Th 8am to 5:30pm. Fr 8am to 5pm ET